Разборный корпус опорного блока SNL 508-607 / Вал 35мм
- Технические характеристики и другая информация предоставляются для справки.
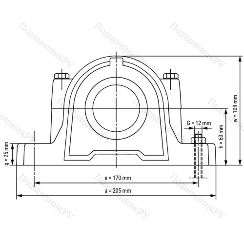
- Чертежи и изображения представлены для ознакомления

Разборный корпус SNL508-607 изготовлен методом литья под давлением и предназначен для использования самоустанавливающихся шарикоподшипников и сферических роликоподшипников.
Предлагаем Разъемные корпуса SNL508-607 от производителя LPZ с внутренним диаметром 35 мм, весом 2,9000 кг и термостойкостью От -40 до +100 C. В основном детали используются в паре со сферическими шариковыми или роликовыми подшипниками. Конструкция изделия гарантирует простоту монтажа и обслуживания.
- Корпус Pillow Block в раздельном исполнении
- можно комбинировать с самоустанавливающимся шарикоподшипником или сферическим роликоподшипником
- основание корпуса усилено в районе крепежных отверстий и укреплено рипами, что исключает деформацию при креплении корпуса; центрирующая насадка помогает с точным выравниванием; крышка корпуса и основание принадлежат друг другу и не взаимозаменяемы
- комплект уплотнений TG (двойное манжетное уплотнение) входит в комплект поставки
- со смазочным ниппелем для легкой повторной смазки вкладыша подшипника
- для защиты от коррозии корпус окрашен; монтажная поверхность обработана антикоррозийным маслом
|
Производитель
|
LPZ |
|
Ширина B
|
108 |
|
Внутренний диаметр d
|
35 |
|
Размер
|
35x108 |
|
Вес, кг
|
2,9000 |
Кроссы подшипников
Оформить заказ на нашем сайте легко. Просто добавьте выбранные товары в корзину, а затем перейдите на страницу Корзина, проверьте правильность заказанных позиций и нажмите кнопку «Оформить заказ» или «Быстрый заказ».
Функция «Быстрый заказ» позволяет покупателю не проходить всю процедуру оформления заказа самостоятельно. Вы заполняете форму, и через короткое время вам перезвонит менеджер магазина. Он уточнит все условия заказа, ответит на вопросы, касающиеся качества товара, его особенностей. А также подскажет о вариантах оплаты и доставки.
По результатам звонка, пользователь либо, получив уточнения, самостоятельно оформляет заказ, укомплектовав его необходимыми позициями, либо соглашается на оформление в том виде, в котором есть сейчас. Получает подтверждение на почту или на мобильный телефон и ждёт доставки.
Если вы уверены в выборе, то можете самостоятельно оформить заказ, заполнив по этапам всю форму.
Выберите из списка название вашего региона и населённого пункта. Если вы не нашли свой населённый пункт в списке, выберите значение «Другое местоположение» и впишите название своего населённого пункта в графу «Город». Введите правильный индекс.
В зависимости от места жительства вам предложат варианты доставки. Выберите любой удобный способ.
Оплата
Выберите оптимальный способ оплаты.
Введите данные о себе: ФИО, адрес доставки, номер телефона. В поле «Комментарии к заказу» введите сведения, которые могут пригодиться курьеру, например: подъезды в доме считаются справа налево.
Проверьте правильность ввода информации: позиции заказа, выбор местоположения, данные о покупателе. Нажмите кнопку «Оформить заказ».
Наш сервис запоминает данные о пользователе, информацию о заказе и в следующий раз предложит вам повторить к вводу данные предыдущего заказа. Если условия вам не подходят, выбирайте другие варианты.






