- Технические характеристики и другая информация предоставляются для справки.
- Чертежи и изображения представлены для ознакомления
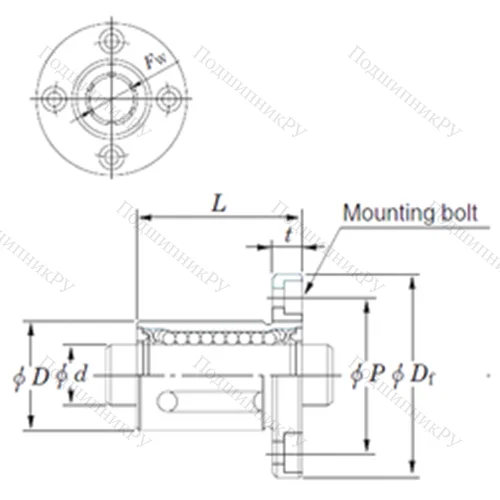
Подшипник шариковый линейный SDMF 35
Подшипник шариковый линейный SDMF35 представляет собой механический узел, конструкция которого включает в себя гильзу из полиамида или стали, стальной, полиамидный или полиацетальный сепаратор, шариковый подшипник, стопорные и уплотнительные кольца, продольные уплотняющие элементы. Может иметь как открытое, так и закрытое строение, включающее фланцы разного типа, прорези, возможность регулирования составных элементов и их замену при необходимости. Оборудуется телами качения или скольжения.
Каковы функции и преимущества Подшипник шариковый линейный SDMF35?
- Обеспечивает беспрепятственное, плавное перемещение втулки на валу либо по направляющей.
- Относится к классу особо надежных моделей, обладающих высоким КПД и низким температурным порогом нагрева, малым коэффициентом трения.
- Бесперебойно функционирует при повышенных температурах, серьезных скоростях вращения, обладает малыми осевыми габаритами.
- Соответствует стандартам ИСО международного класса качества и производственным нормативам ГОСТ, принятым в странах СНГ.
Приобретайте с выгодой для себя изделия проверенных брендов FAG, KOYO, NSK, SKF, SNR, в том числе Подшипник шариковый линейный SDMF35 ГОСТ или его (аналог ISO) у наших онлайн-специалистов!
Технические характеристики
Обозначение : SDMF35
Производитель : KOYO
Диаметр внутренний, мм : 35
Диаметр наружный, мм : 52
Технические данные из каталога производителя :
Внутренний диаметр (Fw) - 35 мм.
Наружный диаметр (D) - 52 мм.
Размер (P) - 67
Размер (t) - 10
Размер (D1) - 82 мм.
Размер (K) - 64 мм.
Размер (L) - 70
Болт (G) - M6
Масса - 610 Кг
Грузоподъемность динамическая (C) - 1580 кН
Грузоподъемность статическая (C0) - 3070 кН
Количество замкнутых рядов шариков - 6
Уплотнение - Нет
|
Производитель
|
KOYO |
|
Внешний диаметр D
|
52 |
|
Внутренний диаметр d
|
35 |
|
Размер
|
35x52 |
|
Вес, кг
|
610 |
|
Модель
|
SDMF35-KOYO |
|
SKU
|
SDMF35-KOYO |
|
Диаметр вала d1
|
82 мм. |
Похожие по размеру
Оформить заказ на нашем сайте легко. Просто добавьте выбранные товары в корзину, а затем перейдите на страницу Корзина, проверьте правильность заказанных позиций и нажмите кнопку «Оформить заказ» или «Быстрый заказ».
Функция «Быстрый заказ» позволяет покупателю не проходить всю процедуру оформления заказа самостоятельно. Вы заполняете форму, и через короткое время вам перезвонит менеджер магазина. Он уточнит все условия заказа, ответит на вопросы, касающиеся качества товара, его особенностей. А также подскажет о вариантах оплаты и доставки.
По результатам звонка, пользователь либо, получив уточнения, самостоятельно оформляет заказ, укомплектовав его необходимыми позициями, либо соглашается на оформление в том виде, в котором есть сейчас. Получает подтверждение на почту или на мобильный телефон и ждёт доставки.
Если вы уверены в выборе, то можете самостоятельно оформить заказ, заполнив по этапам всю форму.
Выберите из списка название вашего региона и населённого пункта. Если вы не нашли свой населённый пункт в списке, выберите значение «Другое местоположение» и впишите название своего населённого пункта в графу «Город». Введите правильный индекс.
В зависимости от места жительства вам предложат варианты доставки. Выберите любой удобный способ.
Оплата
Выберите оптимальный способ оплаты.
Введите данные о себе: ФИО, адрес доставки, номер телефона. В поле «Комментарии к заказу» введите сведения, которые могут пригодиться курьеру, например: подъезды в доме считаются справа налево.
Проверьте правильность ввода информации: позиции заказа, выбор местоположения, данные о покупателе. Нажмите кнопку «Оформить заказ».
Наш сервис запоминает данные о пользователе, информацию о заказе и в следующий раз предложит вам повторить к вводу данные предыдущего заказа. Если условия вам не подходят, выбирайте другие варианты.
