- Технические характеристики и другая информация предоставляются для справки.
- Чертежи и изображения представлены для ознакомления
Подшипник шариковый линейный SDM 16AJMG
Подшипник шариковый линейный SDM16AJMG представляет собой механический узел, конструкция которого включает в себя гильзу из полиамида или стали, стальной, полиамидный или полиацетальный сепаратор, шариковый подшипник, стопорные и уплотнительные кольца, продольные уплотняющие элементы. Может иметь как открытое, так и закрытое строение, включающее фланцы разного типа, прорези, возможность регулирования составных элементов и их замену при необходимости. Оборудуется телами качения или скольжения.
Каковы функции и преимущества Подшипник шариковый линейный SDM16AJMG?
- Обеспечивает беспрепятственное, плавное перемещение втулки на валу либо по направляющей.
- Относится к классу особо надежных моделей, обладающих высоким КПД и низким температурным порогом нагрева, малым коэффициентом трения.
- Бесперебойно функционирует при повышенных температурах, серьезных скоростях вращения, обладает малыми осевыми габаритами.
- Соответствует стандартам ИСО международного класса качества и производственным нормативам ГОСТ, принятым в странах СНГ.
Приобретайте с выгодой для себя изделия проверенных брендов FAG, KOYO, NSK, SKF, SNR, в том числе Подшипник шариковый линейный SDM16AJMG ГОСТ или его (аналог ISO) у наших онлайн-специалистов!
Технические характеристики
Обозначение : SDM16AJMG
Размеры, мм : 16x28x26.5
Производитель : KOYO
Диаметр внутренний, мм : 16
Диаметр наружный, мм : 28
Высота, мм : 26,5
Технические данные из каталога производителя :
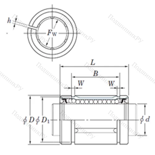
Внутренний диаметр (Fw) - 16 мм.
Наружный диаметр (D) - 28 мм.
Размер (h) - 1,5 мм.
Размер (B) - 26,5 мм.
Размер (D1) - 27 мм.
Размер (L) - 37
Размер (W) - 1,6
Масса - 0,059 Кг
Грузоподъемность динамическая (C) - 480 кН
Грузоподъемность статическая (C0) - 766 кН
Количество замкнутых рядов шариков - 4
Уплотнение - Нет
|
Производитель
|
KOYO |
|
Ширина B
|
26 |
|
Внешний диаметр D
|
28 |
|
Внутренний диаметр d
|
16 |
|
Размер
|
16x28x26 |
|
Вес, кг
|
0.059 |
|
Модель
|
SDM16AJMG-KOYO |
|
SKU
|
SDM16AJMG-KOYO |
|
Диаметр вала d1
|
27 мм. |
Похожие по размеру
Оформить заказ на нашем сайте легко. Просто добавьте выбранные товары в корзину, а затем перейдите на страницу Корзина, проверьте правильность заказанных позиций и нажмите кнопку «Оформить заказ» или «Быстрый заказ».
Функция «Быстрый заказ» позволяет покупателю не проходить всю процедуру оформления заказа самостоятельно. Вы заполняете форму, и через короткое время вам перезвонит менеджер магазина. Он уточнит все условия заказа, ответит на вопросы, касающиеся качества товара, его особенностей. А также подскажет о вариантах оплаты и доставки.
По результатам звонка, пользователь либо, получив уточнения, самостоятельно оформляет заказ, укомплектовав его необходимыми позициями, либо соглашается на оформление в том виде, в котором есть сейчас. Получает подтверждение на почту или на мобильный телефон и ждёт доставки.
Если вы уверены в выборе, то можете самостоятельно оформить заказ, заполнив по этапам всю форму.
Выберите из списка название вашего региона и населённого пункта. Если вы не нашли свой населённый пункт в списке, выберите значение «Другое местоположение» и впишите название своего населённого пункта в графу «Город». Введите правильный индекс.
В зависимости от места жительства вам предложат варианты доставки. Выберите любой удобный способ.
Оплата
Выберите оптимальный способ оплаты.
Введите данные о себе: ФИО, адрес доставки, номер телефона. В поле «Комментарии к заказу» введите сведения, которые могут пригодиться курьеру, например: подъезды в доме считаются справа налево.
Проверьте правильность ввода информации: позиции заказа, выбор местоположения, данные о покупателе. Нажмите кнопку «Оформить заказ».
Наш сервис запоминает данные о пользователе, информацию о заказе и в следующий раз предложит вам повторить к вводу данные предыдущего заказа. Если условия вам не подходят, выбирайте другие варианты.
